|
BRUSHLESS DC MOTORS: BLDC Series |
| MODEL 4817-004 PECIFICATIONS | |
| Discontinued for reference only | |
|---|---|
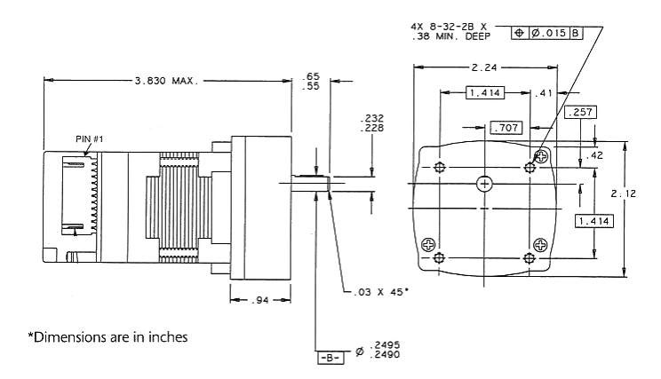
A gearbox designed specifically for our smallest brushless DC motor provides a very compact package that produces a rated torque of 175 oz-in and a peak torque of 500 oz-in.
Gears are hobbed to AGMA 7 quality. Pinions and gear teeth are case hardened for wear resistance and ground steel shafts rotate in sintered bearings. The output shaft is supported by ball bearings. Both motor and gearhead are designed for outstanding service.
Gearboxes are available in a wide variety of sizes and ratios for all Hurst brushless DC motors. Consult your sales
person for more information.
This size motor is also available without an encoder. BLDC 4817-003
Motor Characteristics*
| BLDC Model Number |
Cont. Torque Oz-In (Nom) |
Peak Torque Oz-In (Max) |
Rotor Inertia Oz-In-Sec2 (+10%) |
Therm Resistance °C/Watt (+10%) |
Therm Time Constant min(nom) |
Max Allowable Winding Temp °C |
Winding Type |
Poles | Radial Load Oz(max) |
Axial Load Oz(max) |
Weight Oz(nom) |
|---|---|---|---|---|---|---|---|---|---|---|---|
| 4817-004 | 175 | 500 | .0006 | 10 | 10 | 120 | 3Ø |
8 | 80 | 48 | ?? |
| Gear Ratio | Speed No Load RPM | Rated Speed RPM |
|---|---|---|
| 30.48:1 | 175 | 100 |
| BLDC Model Number |
Input Voltage VDC(max) |
Ke VOLTS/krpm (+10%) |
Kt Oz-In/AMP (+10%) |
Phase Resistance OHMS (+10%) |
Phase Induction MIL-H (+10%) |
Cont. Current amp |
Peak Current amp |
|---|---|---|---|---|---|---|---|
| 4817-004 | 40 | 6.14 | 8.3 | 5.7 | 5.7 | .84 | 4.8 |
|
![]() |
Encoders are internally mounted, with an input voltage of 4.5 to 5.5 VDC and a resolution of 250 CPR. They are of a dual channel quadrature output type. Phase A leads phase B by 90o + 30o electrical, with clockwise rotation. Encoders having different values are also available.
