|
BRUSHLESS DC MOTORS: BLDC Series |
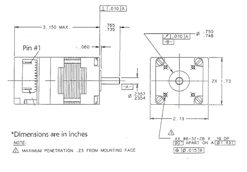
| MODEL 4811-003 SPECIFICATIONS | |
| Discontinued for reference only | |
|---|---|
This size motor is also available with an encoder (Model 4811-004) or a geared motor (Model 4817-003).
They are shown on these data sheets.
BLDC 4811-004
BLDC 4817-003
Motor Characteristics*
| BLDC Model Number |
Cont. Torque Oz-In (Nom) |
Peak Torque Oz-In (Max) |
Rotor Inertia Oz-In-Sec2 (+10%) |
Therm Resistance °C/Watt (+10%) |
Therm Time Constant min(nom) |
Max Allowable Winding Temp °C |
Winding Type |
Poles | Radial Load Oz(max) |
Axial Load Oz(max) |
Weight Oz(nom) |
|---|---|---|---|---|---|---|---|---|---|---|---|
| 4811-003 | 7 | 40 | .0006 | 10 | 10 | 120 | 3Ø |
8 | 80 | 48 | 18 |
| BLDC Model Number |
Input Voltage VDC(max) |
Ke VOLTS/krpm (+10%) |
Kt Oz-In/AMP (+10%) |
Phase Resistance OHMS (+10%) |
Phase Induction MIL-H (+10%) |
Cont. Current amp |
Peak Current amp |
|---|---|---|---|---|---|---|---|
| 4811-003 | 40 | 6.14 | 8.3 | 5.7 | 5.7 | .84 | 4.8 |
|
![]() |
